Nopea toimitus
30 päivän pikatoimitus



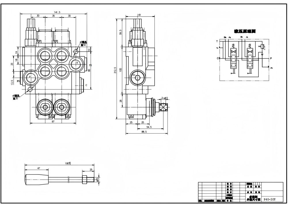
P40-XNHJ on vankka, manuaalinen, 2-karainen monoblock-suuntahydrauliikkaventtiili, jonka nimellisvirtaus on 40 L/min ja maksimipaine 250 bar. Se soveltuu erinomaisesti monenlaisiin materiaalinkäsittely-, rakennus-, maatalous- ja teollisuusajoneuvosovelluksiin, ja tämä venttiili tarjoaa luotettavan ohjauksen ja suorituskyvyn vaativissa ympäristöissä.
| P40-XNHJ-sarja Monolohkoinen suuntaventtiili Parameters | |
|---|---|
| Ohjausmenetelmä | Manuaalinen, Pneumattinen, Elektropneumaattinen, Elektrohydraulinen, Solenoidi, Hydraulinen, Hydraulinen ja Manuaalinen, Kaapeli, Ohjaussauva, Ohjaussauva ja manuaalinen |
| Jakaja | 1 jakaja, 2 jakajaa, 3 jakajaa, 4 jakajaa, 5 jakajaa, 6 jakajaa, 7 jakajaa |
| Nimellisvirtaus | 40 L/min (10,5 US gpm) |
| Maksimipaine | 250 baaria (3 600 psi) |
| Tuloportti | G3/8, G1/2, M18×1.5, M22×1.5, SAE 8, SAE 10, 3/8 NPT, 1/2 NPT |
| Ulostuloportti | G3/8, G1/2, M18×1.5, M22×1.5, SAE 8, SAE 10, 3/8 NPT, 1/2 NPT |
| Liitäntäkoko | G3/8, G1/2, M18×1.5, SAE 8, SAE 10, 3/8 NPT, 1/2 NPT |
| Jakso | 1 jakso, 2 jakso, 3 jakso, 4 jakso, 5 jakso, 6 jakso, 7 jakso |
| Rakennetyyppi | Yhdistelmäventtiili |
| Ympäristön lämpötila-alue | -40 °C - +80 °C (-40 °F - +176 °F) |
| Käyttöviskositeettialue | 15 - 75 mm²/s (15 cSt - 75 cSt) |
P40-XNHJ Manuaalinen 2-karainen Monoblock-suuntaventtiili on korkean suorituskyvyn hydrauliikkakomponentti, joka on suunniteltu vaativiin sovelluksiin. Sen kompakti monoblock-rakenne takaa luotettavuuden ja kestävyyden, kun taas manuaalinen ohjaus tarjoaa tarkan toiminnan. Nimellisvirtauksellaan 40 L/min ja maksimipaineellaan 250 bar se soveltuu laajaan valikoimaan laitteita. Venttiilin laaja käyttövirkistys- ja lämpötila-alue (-40°C - +80°C) takaa tasaisen suorituskyvyn monenlaisissa olosuhteissa. Sen kaksi karia mahdollistavat hydraulitoimintojen monipuolisen ohjauksen. Tämä venttiili sopii ihanteellisesti käytettäväksi trukeissa, kurottajissa, liukuohjatuissa kuormaajissa, traktoreissa, minikaivureissa, kaivurikuormaajissa, paalaimissa, puimureissa ja ruiskuissa, tarjoten luotettavan ja tehokkaan hydrauliohjauksen erilaisiin toimenpiteisiin. P40-XNHJ on rakennettu kestämään ankaria olosuhteita ja tarjoamaan pitkäikäistä suorituskykyä, mikä tekee siitä kustannustehokkaan ratkaisun sekä alkuperäislaitevalmistajille (OEM) että loppukäyttäjille. Tarjoamme valmistus-, OEM-, yksityismerkintä-, räätälöinti- ja tukkumyyntivaihtoehtoja, ja etsimme aktiivisesti jakelijoita, tukkukauppiaita, edustajia ja kauppiaita maailmanlaajuisesti.



