Nopea toimitus
30 päivän pikatoimitus



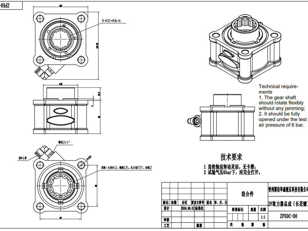
ZF50C-voimanotto on vankka, pneumaattisesti ohjattu voimanottoyksikkö, joka on suunniteltu vaativiin maailmanlaajuisiin teollisiin ja liikkuviin sovelluksiin. Se tuottaa tehokkaan 479,7 Nm:n lähtövääntömomentin vakiokiinnityksellä ja painevoitelulla, tarjoten luotettavaa apuvoimaa monenlaisille raskaille koneille rakennus-, maatalous-, materiaalinkäsittely- ja muilla teollisuuden aloilla.
| ZF50 Sarja Voimanotto Parameters | |
|---|---|
| Ohjausilmanpaine | 6 bar |
| Kiinnitystyyppi | 4 pulttia |
| Ulosoton suunta | Moottorin ohjaussuuntaa vastakkainen |
| Toimintatapa | Pneumaattinen (yksitoiminen sylinteri) jousipalautus |
| Nopeussuhde | 1:1 |
| Nimellinen lähtömomentti | 479.7 Nm |
| Voiteluvaihtoehto | Painevoitelu |
| Asennusvaihtoehto | Vakioasennus |
Johtavana maailmanlaajuisena valmistajana esittelemme ylpeinä ZF50C-voimanoton, korkean suorituskyvyn ratkaisun, joka on suunniteltu luotettavuutta ja tehokkuutta varten erilaisissa teollisissa ja liikkuvissa sovelluksissa. Tarjoamme kattavia valmistus-, OEM-, ODM-, räätälöityjä ja tukkupalveluita ja etsimme aktiivisesti maailmanlaajuisia jakelijoita, tukkukauppiaita, edustajia ja kauppiaita.
**Tuotteen ominaisuudet ja edut:**
* **Korkea nimellislähtövääntömomentti:** Vahvan 479,7 Nm:n vääntömomentin ansiosta ZF50C on suunniteltu käsittelemään vaativia tehovaatimuksia raskaissa sovelluksissa, varmistaen optimaalisen suorituskyvyn.
* **Pneumaattinen ohjaus (yksitoiminen sylinteri jousipalautuksella):** Tarjoaa tarkan ja luotettavan kytkennän/irrotuksen. Yksitoiminen sylinteri jousipalautusmekanismilla tarjoaa yksinkertaisen, tehokkaan ja turvallisen käytön. Se toimii tehokkaasti 6 baarin ohjausilmanpaineella.
* **Painevoitelu:** Tämä kriittinen ominaisuus varmistaa jatkuvan ja tehokkaan voitelun sisäisille komponenteille, pidentäen merkittävästi voimanottoyksikön käyttöikää erityisesti jatkuvassa ja raskaassa kuormituksessa.
* **Vakiokiinnitysvaihtoehto:** Helpottaa integroitumista laajaan valikoimaan moottoreita ja vaihteistoja, vähentäen asennusaikaa ja kustannuksia.
* **1:1 Välityssuhde:** Tarjoaa suoran ja tehokkaan voimansiirron moottorista apulaitteisiin ilman nopeuden hidastusta tai vahvistusta.
* **Ulostulon suunta moottoriin nähden vastakkainen:** Suunniteltu tiettyä järjestelmäyhteensopivuutta varten, varmistaen oikean pyörimissuunnan vetävälle komponentille.
* **Kestävä rakenne:** Valmistettu korkealaatuisista materiaaleista kestämään ankaria käyttöympäristöjä ja tarjoamaan pitkäaikaisen luotettavuuden.
**Sovellusskenaariot:**
ZF50C-voimanottomme on välttämätön komponentti monille teollisuudenaloille ja ajoneuvotyypeille, jotka vaativat apuhydrauliikkaa tai mekaanista käyttöä:
* **Rakentaminen ja maansiirto:** Ihanteellinen hydrauliikkapumppujen käyttämiseen maastokurjissa (ALL TERRAIN CRANES), pyöräkuormaajissa (WHEEL LOADERS), kaivurikuormaajissa (BACKHOE LOADERS), dumppereissa (DUMPERS), tiehöylissä (MOTOR GRADERS) ja betonipumppuautoissa (CONCRETE BOOM PUMPS).
* **Materiaalinkäsittely:** Välttämätön apuvoiman tarjoamiseksi kurottajille (TELEHANDLERs) ja trukkeille (FORKLIFTs) erilaisiin lisälaitteisiin ja toimintoihin.
* **Maatalous:** Ratkaisevan tärkeä traktoreille ja etukuormaajille (TRACTORS AND FRONT-END LOADERS), puimureille (HARVESTERS), paalaimille (BALERS) ja ruiskuille (SPRAYERS), käyttäen työkoneita ja hydrauliikkajärjestelmiä.
* **Teollisuusajoneuvot:** Sopii erilaisiin erikoisajoneuvoihin, jotka tarvitsevat luotettavaa virtaa vinsseihin, kompressoreihin, jätepakkaajiin ja muihin apulaitteisiin. ZF50C varmistaa, että nämä koneet toimivat maksimaalisella tehokkuudella ja minimaalisella seisokkiajalla.



