Nopea toimitus
30 päivän pikatoimitus



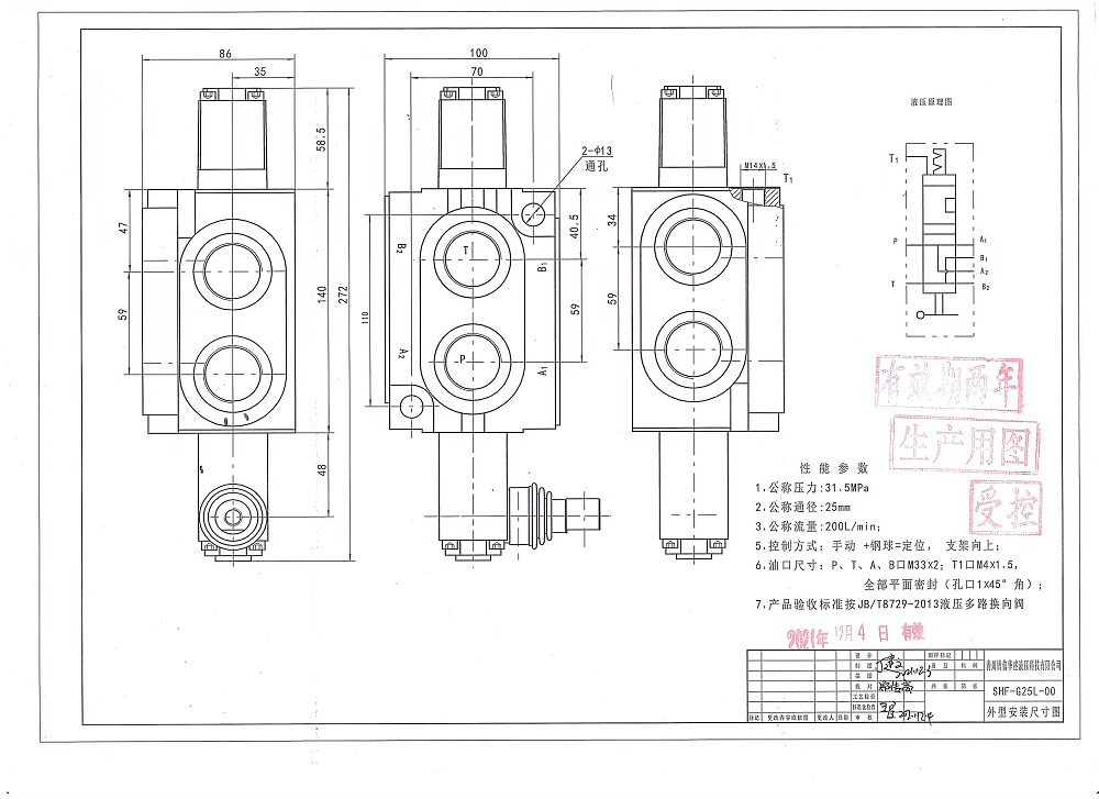
SHFY-G25L-00 Manuaalinen 1 karan monoblock-suuntaventtiili on kompakti, luotettava ja korkean suorituskyvyn venttiili, joka on suunniteltu erilaisiin sovelluksiin materiaalinkäsittelyssä, rakentamisessa, maataloudessa ja teollisuusajoneuvoissa. Yksiosaisen, manuaalisen ohjauksen sekä suuren virtaus- ja painekapasiteettinsa ansiosta tämä venttiili tarjoaa tarkan ja tehokkaan hallinnan hydrauliikkajärjestelmiin.
| SHFY-G25L-00 -sarja Monolohkoinen suuntaventtiili Parameters | |
|---|---|
| Ohjausmenetelmä | Manuaalinen, Hydraulinen |
| Jakaja | 1 jakaja |
| Nimellisvirtaus | 200 L/min (52 US gpm) |
| Maksimipaine | 315 baaria (4 600 psi) |
| Tuloportti | M33×2.0 |
| Ulostuloportti | M33×2.0 |
| Liitäntäkoko | M33×2.0 |
| Jakso | 1 jakso |
| Rakennetyyppi | Yhdistelmäventtiili |
| Ympäristön lämpötila-alue | -40 °C - +80 °C (-40 °F - +176 °F) |
| Käyttöviskositeettialue | 12 - 400 mm²/s (12 cSt - 400 cSt) |
**Tuotteen ominaisuudet ja edut:**
* **Kestävä rakenne:** Valmistettu korkealaatuisista materiaaleista kestävyyden ja luotettavuuden varmistamiseksi vaativissa sovelluksissa.
* **Modulaarinen rakenne:** Mahdollistaa helpon räätälöinnin ja integroinnin erilaisiin hydrauliikkajärjestelmiin.
* **Monipuolinen ohjaus:** Tarjoaa tarkan hydraulivirran ja -paineen hallinnan, mikä mahdollistaa liitettyjen laitteiden optimaalisen suorituskyvyn.
* **Laaja käyttöalue:** Käsittelee laajaa virtaus-, paine- ja lämpötila-aluetta, mikä varmistaa yhteensopivuuden eri sovellusten kanssa.
* **Korkea hyötysuhde:** Minimoi painehäviön ja energiankulutuksen, parantaen järjestelmän kokonaishyötysuhdetta.
**Sovellukset:**
SHFY-G25L-00 Manuaalinen 1 karan monoblock-suuntaventtiili soveltuu useisiin hydrauliikkajärjestelmiin, mukaan lukien:
* Materiaalinkäsittelylaitteet (trukit, nosturit, kurottajat)
* Rakennuskoneet (kaivinkoneet, kuormaajat, tiehöylät)
* Maatalouskoneet (traktorit, puimurit, paalaimet)
* Teollisuusajoneuvot (lakaisukoneet, jätepuristimet, vaihtolava-autot)
* Ja paljon muuta...



