Nopea toimitus
30 päivän pikatoimitus



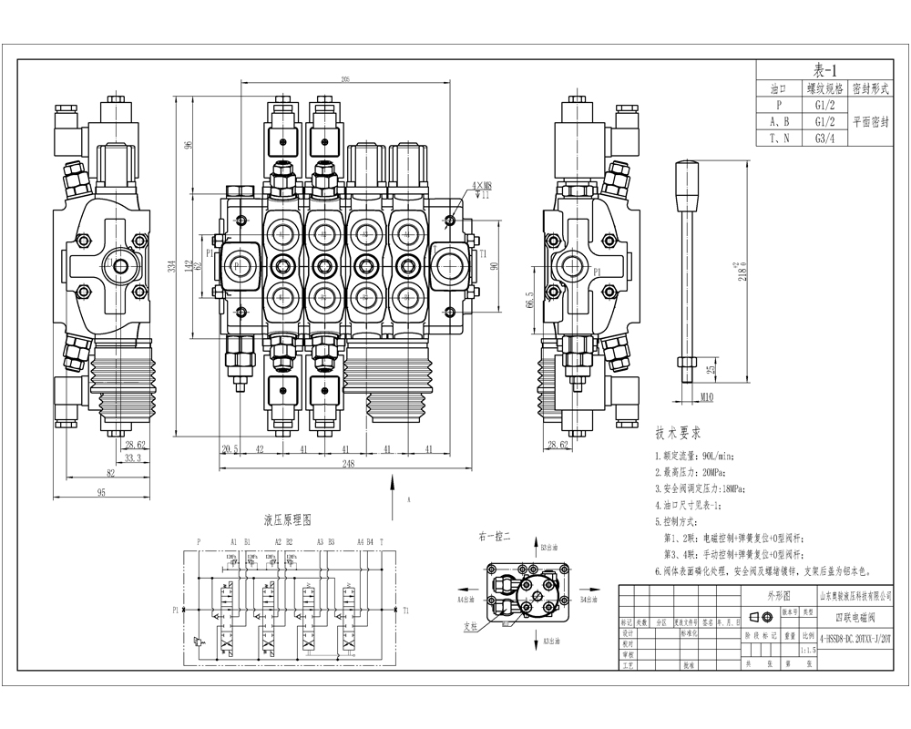
SD8-solenoidi- ja ohjaussauvaohjattu 4-karainen osioitu suuntaventtiili on korkean suorituskyvyn hydrauliventtiili, joka on suunniteltu vaativiin sovelluksiin eri teollisuudenaloilla. Nimellisvirtaamalla 90 L/min, maksimipaineella 350 bar ja käyttöväliviiveellä 12 - 400 mm²/s tämä venttiili tarjoaa poikkeukselliset virtauksenohjaus- ja paineensäätöominaisuudet.
| SD8-sarja Suuntaventtiili Parameters | |
|---|---|
| Jakaja | 1 jakaja, 2 jakajaa, 3 jakajaa, 4 jakajaa, 5 jakajaa, 6 jakajaa, 7 jakajaa, 8 jakajaa, 9 jakajaa, 10 jakajaa |
| Ohjausmenetelmä | Manuaalinen, Pneumattinen, Elektropneumaattinen, Elektrohydraulinen, Solenoidi, Hydraulinen, Hydraulinen ja Manuaalinen, Kaapeli, Ohjaussauva, Solenoidi ja ohjaussauva, Ohjaussauva ja manuaalinen |
| Liitäntäkoko | G1/2, SAE 10 |
| Jakso | 1 jakso, 2 jakso, 3 jakso, 4 jakso, 5 jakso, 6 jakso, 7 jakso, 8 jakso, 9 jakso, 10 jakso |
| Ympäristön lämpötila-alue | -40 °C - +80 °C (-40 °F - +176 °F) |
| Käyttöviskositeettialue | 12 - 400 mm²/s (12 cSt - 400 cSt) |
| Ulostuloportti | G1/2, G3/4, SAE 10, 3/4 NPT |
| Maksimipaine | 250 baaria (3 600 psi), 350 baaria (5 100 psi) |
| Nimellisvirtaus | 90 L/min (23,8 US gpm) |
| Rakennetyyppi | Jaksoventtiili |
| Tuloportti | G1/2, G3/4, SAE 10 |
**Tuotteen ominaisuudet ja edut:**
* Solenoidi- ja ohjaussauvaohjaus tarkan ja herkästi reagoivan toiminnan takaamiseksi
* 3-osioinen rakenne monipuoliseen virtauksenohjaukseen
* Osioitu venttiilirakenne helppoa huoltoa ja mukauttamista varten
* Suuri virtausnopeus ja painekapasiteetti vaativiin sovelluksiin
* Laaja viskositeettialueyhteensopivuus
**Sovellukset:**
* Materiaalinkäsittelylaitteet
* Rakennus- ja maansiirtokoneet
* Maatalousajoneuvot
* Teollisuusajoneuvot
* Nostoalustat
* Nosturit
* Kaivinkoneet
* Liukuohjatut kuormaajat
* Pyöräkuormaajat



