Nopea toimitus
30 päivän pikatoimitus



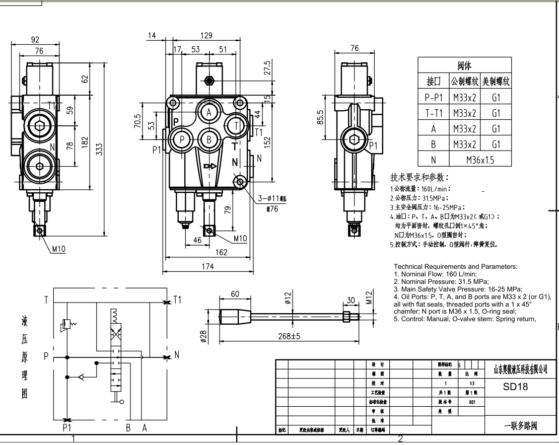
SD18 Manuaalinen 1-kelainen Monoblock-suuntaventtiili on kompakti ja luotettava venttiili, joka on suunniteltu käytettäväksi monenlaisissa hydraulisissa sovelluksissa. Sen nimellisvirtaus on 120 L/min ja maksimipaine 315 bar, joten se soveltuu käytettäväksi järjestelmissä, joissa on kohtuulliset virtaus- ja painevaatimukset.
| SD18-sarja Monolohkoinen suuntaventtiili Parameters | |
|---|---|
| Ohjausmenetelmä | Manuaalinen, Pneumattinen, Elektropneumaattinen, Elektrohydraulinen, Hydraulinen, Hydraulinen ja Manuaalinen, Kaapeli, Ohjaussauva |
| Jakaja | 1 jakaja, 2 jakajaa, 3 jakajaa, 4 jakajaa |
| Nimellisvirtaus | 160 L/min (42,2 US gpm) |
| Maksimipaine | 305 baaria (4 400 psi) |
| Tuloportti | G1/2, G1, SAE 16 |
| Ulostuloportti | G1, SAE 16 |
| Liitäntäkoko | G1, SAE 16 |
| Jakso | 1 jakso, 2 jakso, 3 jakso, 4 jakso |
| Rakennetyyppi | Yhdistelmäventtiili |
| Ympäristön lämpötila-alue | -40 °C - +80 °C (-40 °F - +176 °F) |
| Käyttöviskositeettialue | 12 - 400 mm²/s (12 cSt - 400 cSt) |
**Tuotteen ominaisuudet ja edut:**
* Kompakti ja kevyt rakenne
* Manuaalinen ohjaus tarkkaan ja herkkään toimintaan
* Monoblock-rakenne kestävyyden ja luotettavuuden takaamiseksi
* Nimellisvirtaus 120 L/min tehokkaaseen järjestelmän toimintaan
* Maksimipaine 315 bar vaativiin sovelluksiin
* Käyttöviskositeettialue 12 - 400 mm²/s yhteensopivuutta varten monenlaisten nesteiden kanssa
* Ympäristön lämpötila-alue -40°C - +80°C käyttöön vaativissa olosuhteissa
* 1 kela monipuolisuuteen ja hallintaan
**Sovellukset:**
SD18 Manuaalinen 1-kelainen Monoblock-suuntaventtiili soveltuu käytettäväksi monenlaisissa hydraulisissa sovelluksissa, mukaan lukien:
* Materiaalinkäsittelylaitteet
* Rakennus- ja maanrakennuskoneet
* Maatalouskoneet
* Teollisuusajoneuvot



