Nopea toimitus
30 päivän pikatoimitus



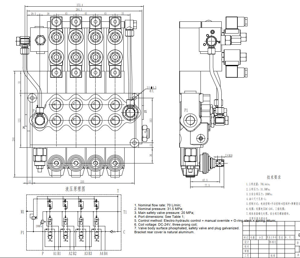
SD11-PG2 on korkeatehoinen, sähköhydraulinen 4-karainen monoblock-suuntaventtiili, jonka virtausluokitus on 70 l/min ja paineluokitus 315 bar. Tämä kestävä venttiili, joka sopii erinomaisesti monenlaisiin materiaalinkäsittelyn, rakentamisen, maatalouden ja teollisuusajoneuvojen sovelluksiin, tarjoaa luotettavan ohjauksen ja tarkan toiminnan vaativissa olosuhteissa.
| SD11-sarja Monolohkoinen suuntaventtiili Parameters | |
|---|---|
| Ohjausmenetelmä | Manuaalinen, Pneumattinen, Elektropneumaattinen, Elektrohydraulinen, Solenoidi, Hydraulinen, Hydraulinen ja Manuaalinen, Kaapeli, Ohjaussauva, Sähköinen |
| Jakaja | 1 jakaja, 2 jakajaa, 3 jakajaa, 4 jakajaa, 5 jakajaa |
| Nimellisvirtaus | 70 L/min (18,5 US gpm) |
| Maksimipaine | 315 baaria (4 600 psi) |
| Tuloportti | G3/4, SAE 12 |
| Ulostuloportti | G3/4, SAE 12 |
| Liitäntäkoko | G3/4, SAE 12 |
| Jakso | 1 jakso, 2 jakso, 3 jakso, 4 jakso, 5 jakso, 6 jakso, 7 jakso |
| Rakennetyyppi | Yhdistelmäventtiili |
| Ympäristön lämpötila-alue | -40 °C - +60 °C (-40 °F - +140 °F) |
| Käyttöviskositeettialue | 15 - 75 mm²/s (15 cSt - 75 cSt) |
SD11-PG2 sähköhydraulinen 4-karainen monoblock-suuntaventtiili on korkeatehoinen hydraulinen ohjauskomponentti, joka on suunniteltu vaativiin sovelluksiin. Sen monoblock-rakenne takaa suuren lujuuden ja luotettavuuden, kun taas sähköhydraulinen ohjaus tarjoaa tarkan ja responsiivisen toiminnan. Virtausluokituksen ollessa 70 l/min ja maksimipaineen 315 bar, se soveltuu monenlaisiin liikkuviin laitteisiin. Laaja käyttövälialue (15-75 mm²/s) ja ympäristön lämpötila-alue (-40 °C - +60 °C) tekevät siitä mukautuvan erilaisiin käyttöolosuhteisiin. 4-karainen rakenne tarjoaa monipuolisia ohjaustoimintoja, mikä tekee siitä sopivan erilaisiin hydraulipiireihin. Tämä venttiili soveltuu ihanteellisesti OEM-integraatioon haarukkatrukkeihin, kurottajiin, liukuohjattaviin kuormaajiin, pienpyöräkuormaajiin, minikaivureihin, traktoreihin, puimureihin ja paalaimiin. Sen kompakti muotoilu, kestävä rakenne ja luotettava suorituskyky tekevät siitä kustannustehokkaan ratkaisun koneidesi tehokkuuden ja tuottavuuden parantamiseen. Tarjoamme valmistus-, OEM-, yksityismerkintä-, räätälöinti- ja tukkumyyntivaihtoehtoja, ja etsimme aktiivisesti jakelijoita, tukkukauppiaita, edustajia ja kauppakumppaneita maailmanlaajuisesti.



