Nopea toimitus
30 päivän pikatoimitus



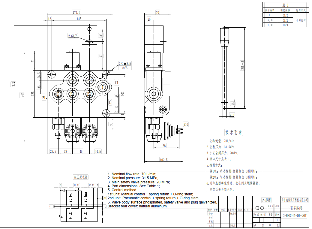
SD11 Käsikäyttöinen 1-karainen Monoblock-suuntaventtiili on suunniteltu monenlaisiin hydraulisiin sovelluksiin. Nimellisvirtauksensa 70 l/min (18.5 US gpm) ja maksimipaineensa 250 bar (3600 psi) ansiosta tämä venttiili kestää vaativia käyttöolosuhteita. Sen kompakti monoblock-rakenne tarjoaa tilaa säästävän ratkaisun, ja käsiohjaus mahdollistaa tarkan ja herkän toiminnan.
| SD11-sarja Monolohkoinen suuntaventtiili Parameters | |
|---|---|
| Ohjausmenetelmä | Manuaalinen, Pneumattinen, Elektropneumaattinen, Elektrohydraulinen, Solenoidi, Hydraulinen, Hydraulinen ja Manuaalinen, Kaapeli, Ohjaussauva, Sähköinen |
| Jakaja | 1 jakaja, 2 jakajaa, 3 jakajaa, 4 jakajaa, 5 jakajaa |
| Nimellisvirtaus | 70 L/min (18,5 US gpm) |
| Maksimipaine | 315 baaria (4 600 psi) |
| Tuloportti | G3/4, SAE 12 |
| Ulostuloportti | G3/4, SAE 12 |
| Liitäntäkoko | G3/4, SAE 12 |
| Jakso | 1 jakso, 2 jakso, 3 jakso, 4 jakso, 5 jakso, 6 jakso, 7 jakso |
| Rakennetyyppi | Yhdistelmäventtiili |
| Ympäristön lämpötila-alue | -40 °C - +60 °C (-40 °F - +140 °F) |
| Käyttöviskositeettialue | 15 - 75 mm²/s (15 cSt - 75 cSt) |
**Tuotteen ominaisuudet ja edut:**
* Käsiohjaus takaa tarkan ja herkän toiminnan
* Monoblock-rakenne tilaa säästävänä ratkaisuna
* Nimellisvirtaus 70 l/min (18.5 US gpm) tehokkaaseen suorituskykyyn
* Maksimipaine 250 bar (3600 psi) vaativiin sovelluksiin
* Käyttöviskositeettialue 15 - 75 mm²/s (15 cSt - 75 cSt) monipuolisuutta varten
* Ympäristön lämpötila-alue -40°C - +60°C (-40°F - +140°F) äärimmäisiin olosuhteisiin
**Sovellukset:**
* Materiaalinkäsittelylaitteet
* Rakennus- ja maanrakennuskoneet
* Maatalouskoneet
* Teollisuusajoneuvot
* Kurottajat
* Trukit
* Maastokurjet
* Pinoaajat
* Henkilönostimet
* Tiehöylät
* Kaivukoneet
* Liukuohjatut kuormaajat
* Pienet pyöräkuormaajat
* Pyöräkuormaajat
* Kaivurikuormaajat
* Kippiautot
* Otsalävityskoneet
* Betonin puomipumput
* Maantiivistyskoneet
* Pyöröporalaitteet
* Murskaimet ja kivileikkurit
* Seulat
* Traktorit etukuormaajilla
* Harvesterit
* Paalinkäärimet
* Kaivurit
* Kylvökoneet
* Metsäperävaunut
* Ruiskut
* Paalaimet
* Puunhalkaisukoneet
* Vaihtolavakuormaajat
* Koukkulaitteet
* Jätepakkaajat
* Lakaisukoneet



