Nopea toimitus
30 päivän pikatoimitus



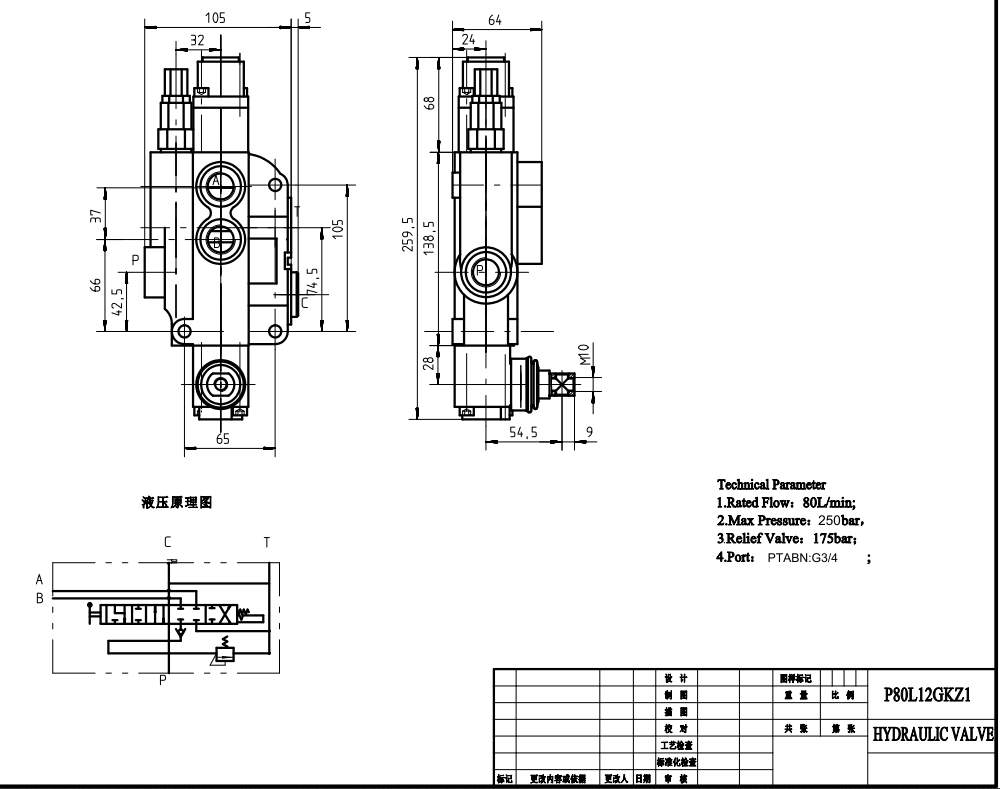
P80-G34-1OT Manuaalinen 1-kelainen monoblock-suuntaventtiili on tehokas hydrauliventtiili, joka on suunniteltu erilaisiin sovelluksiin materiaalinkäsittely-, rakennus-, maatalous- ja teollisuusajoneuvojen aloilla. Siinä on manuaalinen ohjausmekanismi, yhden kelan rakenne ja kestävä monoblock-rakenne.
| P80-sarja Monolohkoinen suuntaventtiili Parameters | |
|---|---|
| Jakaja | 1 jakaja, 2 jakajaa, 3 jakajaa, 4 jakajaa, 5 jakajaa, 6 jakajaa, 7 jakajaa |
| Ohjausmenetelmä | Manuaalinen, Pneumattinen, Elektropneumaattinen, Elektrohydraulinen, Solenoidi, Hydraulinen, Hydraulinen ja Manuaalinen, Kaapeli, Ohjaussauva |
| Liitäntäkoko | G1/2, G3/4, M22×1.5, M27×2.0, SAE 10, 1/2 NPT, 3/4 NPT |
| Jakso | 1 jakso, 2 jakso, 3 jakso, 4 jakso, 5 jakso, 6 jakso, 7 jakso |
| Ympäristön lämpötila-alue | -40 °C - +80 °C (-40 °F - +176 °F) |
| Käyttöviskositeettialue | 15 - 75 mm²/s (15 cSt - 75 cSt) |
| Maksimipaine | 315 baaria (4 600 psi) |
| Nimellisvirtaus | 80 L/min (21,2 US gpm) |
| Rakennetyyppi | Yhdistelmäventtiili |
| Tuloportti | G1/2, G3/4, M27×2.0, SAE 10, SAE 12, 1/2 NPT, 3/4 NPT |
**Tuotteen ominaisuudet ja edut:**
* Manuaalinen ohjaus tarkkaan ja luotettavaan toimintaan
* Monoblock-rakenne varmistaa rakenteellisen eheyden ja kestävyyden
* Nimellisvirtaus 80 L/min (21.2 US gpm) tehokkaaseen järjestelmän suorituskykyyn
* Maksimipaine 250 bar (3600 psi) vaativiin sovelluksiin
* Käyttöviskositeettialue 15 - 75 mm²/s (15 cSt - 75 cSt) yhteensopivuutta varten eri hydraulinesteiden kanssa
* Laaja ympäristölämpötila-alue -40°C - +80°C (-40°F - +176°F) toimintaan erilaisissa ympäristöissä
**Sovellukset:**
P80-G34-1OT Manuaalinen 1-kelainen monoblock-suuntaventtiili sopii ihanteellisesti käytettäväksi monenlaisissa hydraulijärjestelmissä, mukaan lukien:
* Materiaalinkäsittelylaitteet (trukit, kurottajat, pinoamislaitteet)
* Rakennuskoneet (kaivinkoneet, kuormaajat, nosturit)
* Maatalousajoneuvot (traktorit, puimurit, paalaimet)
* Teollisuusajoneuvot (lakaisukoneet, jätepuristimet, koukkulaitteet)



