Nopea toimitus
30 päivän pikatoimitus



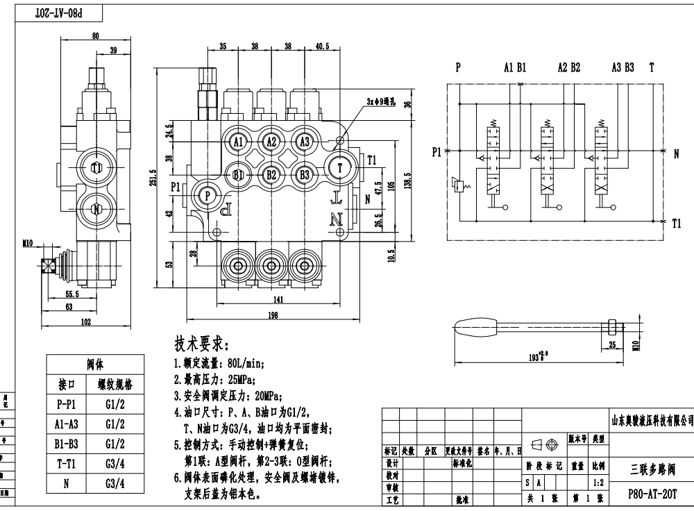
P80-G12-G34-AT-2OT Manuaalinen 3-kelainen monolohko-suuntaventtiili on korkean virtauksen ja korkean paineen venttiili, joka on suunniteltu vaativiin hydrauliikkasovelluksiin. Siinä on manuaalinen ohjausmenetelmä, 3-kelainen rakenne ja monolohkorakenne lisäämään kestävyyttä ja luotettavuutta. 80 l/min nimellisvirtauksella ja 250 barin maksimipaineella tämä venttiili soveltuu monenlaisiin sovelluksiin materiaalinkäsittelyssä, rakennus- ja maansiirtokoneissa, maataloudessa ja teollisuusajoneuvoissa.
| P80-sarja Monolohkoinen suuntaventtiili Parameters | |
|---|---|
| Jakaja | 1 jakaja, 2 jakajaa, 3 jakajaa, 4 jakajaa, 5 jakajaa, 6 jakajaa, 7 jakajaa |
| Ohjausmenetelmä | Manuaalinen, Pneumattinen, Elektropneumaattinen, Elektrohydraulinen, Solenoidi, Hydraulinen, Hydraulinen ja Manuaalinen, Kaapeli, Ohjaussauva |
| Liitäntäkoko | G1/2, G3/4, M22×1.5, M27×2.0, SAE 10, 1/2 NPT, 3/4 NPT |
| Jakso | 1 jakso, 2 jakso, 3 jakso, 4 jakso, 5 jakso, 6 jakso, 7 jakso |
| Ympäristön lämpötila-alue | -40 °C - +80 °C (-40 °F - +176 °F) |
| Käyttöviskositeettialue | 15 - 75 mm²/s (15 cSt - 75 cSt) |
| Maksimipaine | 315 baaria (4 600 psi) |
| Nimellisvirtaus | 80 L/min (21,2 US gpm) |
| Rakennetyyppi | Yhdistelmäventtiili |
| Tuloportti | G1/2, G3/4, M27×2.0, SAE 10, SAE 12, 1/2 NPT, 3/4 NPT |
**Tuotteen ominaisuudet ja edut:**
* Korkea virtauskapasiteetti 80 l/min tehokkaaseen käyttöön
* Korkea paineluokitus 250 bar vaativiin sovelluksiin
* Manuaalinen ohjausmenetelmä tarkkaan ja herkkään toimintaan
* 3-kelainen rakenne monipuoliseen useiden hydraulitoimintojen hallintaan
* Monolohkorakenne lisää kestävyyttä ja vähentää vuotoja
* Laaja käyttövälialue 15 - 75 mm²/s yhteensopivuutta varten eri hydraulinesteiden kanssa
* Laaja ympäristön lämpötila-alue -40°C - +80°C luotettavaa suorituskykyä varten äärimmäisissä olosuhteissa
**Sovellukset:**
* Materiaalinkäsittely: Trukit, kurottajat, nosturit, pinoamisvaunut, henkilönostimet
* Rakennus- ja maansiirto: Kaivinkoneet, liukuohjatut kuormaajat, pienet pyöräkuormaajat, tiehöylät
* Maatalous: Traktorit, leikkuupuimurit, paalaimet, ruiskut
* Teollisuusajoneuvot: Lakaisukoneet, jätepuristimet, vaihtolavakuormaajat, koukkulava-autot



