Nopea toimitus
30 päivän pikatoimitus



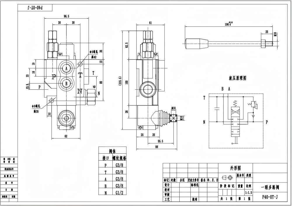
P40J Manuaalinen 1-karainen monolohkosuuntaventtiili on korkean suorituskyvyn hydrauliventtiili, joka on suunniteltu tarkkaan virtauksen hallintaan erilaisissa hydraulijärjestelmissä. Nimellisvirtauksella 40 L/min ja maksimipaineella 250 bar tämä venttiili tarjoaa luotettavan ja tehokkaan toiminnan. Sen kompakti monolohkorakenne takaa kestävyyden ja helpon asennuksen.
| P40-sarja Monolohkoinen suuntaventtiili Parameters | |
|---|---|
| Ohjausmenetelmä | Manuaalinen, Pneumattinen, Elektropneumaattinen, Elektrohydraulinen, Solenoidi, Hydraulinen, Hydraulinen ja Manuaalinen, Kaapeli, Ohjaussauva, Ohjaussauva ja manuaalinen |
| Jakaja | 1 jakaja, 2 jakajaa, 3 jakajaa, 4 jakajaa, 5 jakajaa, 6 jakajaa, 7 jakajaa |
| Nimellisvirtaus | 40 L/min (10,5 US gpm) |
| Maksimipaine | 250 baaria (3 600 psi) |
| Tuloportti | G3/8, G1/2, M18×1.5, M22×1.5, SAE 8, SAE 10, 3/8 NPT, 1/2 NPT |
| Ulostuloportti | G3/8, G1/2, M18×1.5, M22×1.5, SAE 8, SAE 10, 3/8 NPT, 1/2 NPT |
| Liitäntäkoko | G3/8, G1/2, M18×1.5, SAE 8, SAE 10, 3/8 NPT, 1/2 NPT |
| Jakso | 1 jakso, 2 jakso, 3 jakso, 4 jakso, 5 jakso, 6 jakso, 7 jakso |
| Rakennetyyppi | Yhdistelmäventtiili |
| Ympäristön lämpötila-alue | -40 °C - +80 °C (-40 °F - +176 °F) |
| Käyttöviskositeettialue | 15 - 75 mm²/s (15 cSt - 75 cSt) |
**Tuotteen ominaisuudet ja edut:**
- Manuaalinen ohjaus tarkkaan virtauksen säätöön
- Monolohkorakenne kestävyyden ja kompaktin koon takaamiseksi
- 40 L/min nimellisvirtaus tehokkaaseen järjestelmän suorituskykyyn
- 250 bar maksimipaine vaativiin sovelluksiin
- Laaja käyttövälialue (15 - 75 mm²/s) yhteensopivuuden takaamiseksi eri nesteiden kanssa
- Käyttölämpötila-alue -40°C - +80°C luotettavaan toimintaan erilaisissa olosuhteissa
**Sovellukset:**
- Hydraulijärjestelmät rakennuskoneissa
- Maatalouskoneet
- Teollisuusajoneuvot
- Materiaalinkäsittelylaitteet
- Kurottajat
- Trukit
- Maastonosturit
- Pinoamiskoneet
- Henkilönostimet
- Tiehöylät
- Kaivinkoneet
- Liukuohjatut kuormaajat
- Pienkuormaajat



