Nopea toimitus
30 päivän pikatoimitus



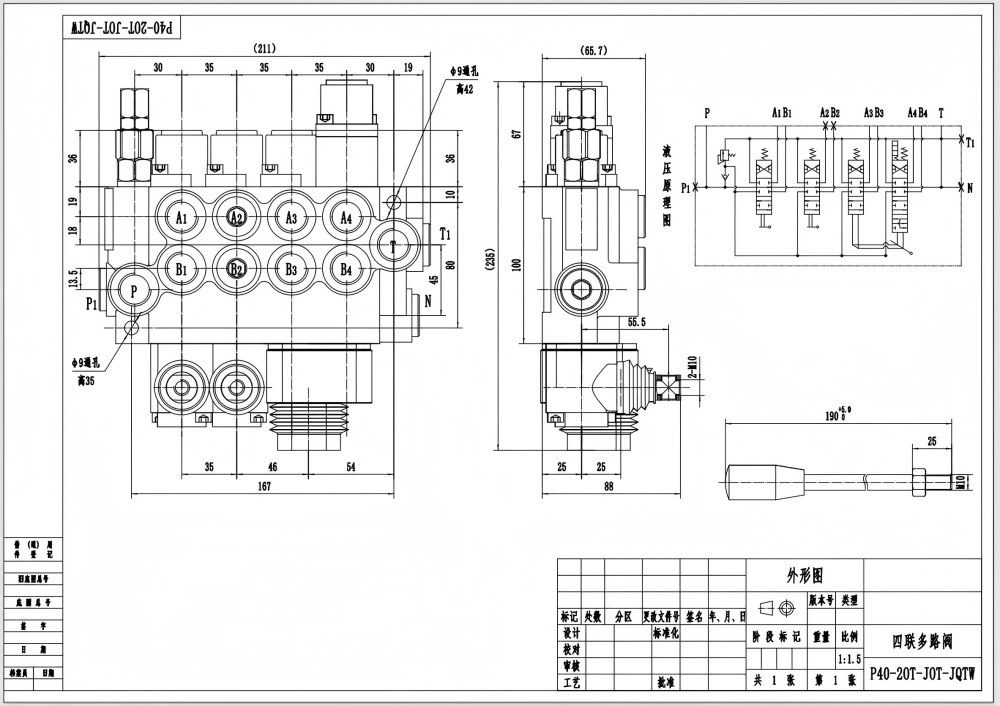
P40 Käsi- ja Joystick-ohjattu 4-karainen Monoblock-suuntaventtiili on korkean suorituskyvyn hydrauliventtiili, joka on suunniteltu vaativiin sovelluksiin, jotka edellyttävät tarkkaa nesteen virtauksen hallintaa. 40 l/min (10,5 US gpm) nimellisvirtauksella ja 250 barin (3600 psi) enimmäispaineella tämä venttiili soveltuu moniin sovelluksiin materiaalinkäsittely-, rakennus-, maatalous- ja teollisuusajoneuvoteollisuudessa.
| P40-sarja Monolohkoinen suuntaventtiili Parameters | |
|---|---|
| Ohjausmenetelmä | Manuaalinen, Pneumattinen, Elektropneumaattinen, Elektrohydraulinen, Solenoidi, Hydraulinen, Hydraulinen ja Manuaalinen, Kaapeli, Ohjaussauva, Ohjaussauva ja manuaalinen |
| Jakaja | 1 jakaja, 2 jakajaa, 3 jakajaa, 4 jakajaa, 5 jakajaa, 6 jakajaa, 7 jakajaa |
| Nimellisvirtaus | 40 L/min (10,5 US gpm) |
| Maksimipaine | 250 baaria (3 600 psi) |
| Tuloportti | G3/8, G1/2, M18×1.5, M22×1.5, SAE 8, SAE 10, 3/8 NPT, 1/2 NPT |
| Ulostuloportti | G3/8, G1/2, M18×1.5, M22×1.5, SAE 8, SAE 10, 3/8 NPT, 1/2 NPT |
| Liitäntäkoko | G3/8, G1/2, M18×1.5, SAE 8, SAE 10, 3/8 NPT, 1/2 NPT |
| Jakso | 1 jakso, 2 jakso, 3 jakso, 4 jakso, 5 jakso, 6 jakso, 7 jakso |
| Rakennetyyppi | Yhdistelmäventtiili |
| Ympäristön lämpötila-alue | -40 °C - +80 °C (-40 °F - +176 °F) |
| Käyttöviskositeettialue | 15 - 75 mm²/s (15 cSt - 75 cSt) |
**Tuotteen ominaisuudet ja edut:**
* Käsi- ja joystick-ohjaus tarkkaan ja helppoon käyttöön
* Monoblock-rakenne lisää kestävyyttä ja vähentää vuotoja
* 4-karainen rakenne monipuoliseen virtauksen hallintaan
* Virtauskapasiteetti 40 l/min (10,5 US gpm) tehokkaaseen käyttöön
* Maksimipaine 250 bar (3600 psi) vaativiin sovelluksiin
* Laaja käyttövälitason viskositeettialue 15 - 75 mm²/s (15 cSt - 75 cSt) yhteensopivuutta varten eri nesteiden kanssa
* Laaja ympäristön lämpötila-alue -40°C - +80°C (-40°F - +176°F) käytettäväksi äärimmäisissä olosuhteissa
**Sovellukset:**
* Materiaalinkäsittelylaitteet, kuten trukit, kurottajat ja nosturit
* Rakennuskoneet, kuten kaivinkoneet, kuormaajat ja tiehöylät
* Maatalouskoneet, kuten traktorit ja leikkuupuimurit
* Teollisuusajoneuvot, kuten lakaisukoneet, tiivistimet ja jäteautot



