Nopea toimitus
30 päivän pikatoimitus



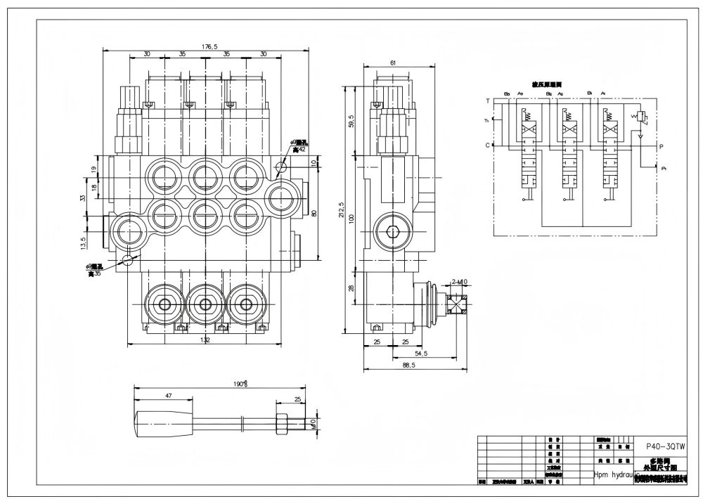
P40-G38-G12-OT käsikäyttöinen 3-karainen monoblock-suuntaventtiili on tehokas hydrauliventtiili, joka on suunniteltu vaativiin sovelluksiin. Nimellisvirtauksella 40 l/min (10,5 US gpm) ja maksimipaineella 250 bar (3600 psi) se tarjoaa luotettavan ja tehokkaan virtauksenohjauksen. Sen monoblock-rakenne takaa kestävyyden ja minimoi vuodot, kun taas käsiohjaus mahdollistaa tarkan ja responsiivisen toiminnan. Venttiili soveltuu monenlaisiin sovelluksiin, kuten materiaalinkäsittelyyn, rakentamiseen, maatalouteen ja teollisuusajoneuvoihin.
| P40-sarja Monolohkoinen suuntaventtiili Parameters | |
|---|---|
| Ohjausmenetelmä | Manuaalinen, Pneumattinen, Elektropneumaattinen, Elektrohydraulinen, Solenoidi, Hydraulinen, Hydraulinen ja Manuaalinen, Kaapeli, Ohjaussauva, Ohjaussauva ja manuaalinen |
| Jakaja | 1 jakaja, 2 jakajaa, 3 jakajaa, 4 jakajaa, 5 jakajaa, 6 jakajaa, 7 jakajaa |
| Nimellisvirtaus | 40 L/min (10,5 US gpm) |
| Maksimipaine | 250 baaria (3 600 psi) |
| Tuloportti | G3/8, G1/2, M18×1.5, M22×1.5, SAE 8, SAE 10, 3/8 NPT, 1/2 NPT |
| Ulostuloportti | G3/8, G1/2, M18×1.5, M22×1.5, SAE 8, SAE 10, 3/8 NPT, 1/2 NPT |
| Liitäntäkoko | G3/8, G1/2, M18×1.5, SAE 8, SAE 10, 3/8 NPT, 1/2 NPT |
| Jakso | 1 jakso, 2 jakso, 3 jakso, 4 jakso, 5 jakso, 6 jakso, 7 jakso |
| Rakennetyyppi | Yhdistelmäventtiili |
| Ympäristön lämpötila-alue | -40 °C - +80 °C (-40 °F - +176 °F) |
| Käyttöviskositeettialue | 15 - 75 mm²/s (15 cSt - 75 cSt) |
**Tuotteen ominaisuudet ja edut:**
* **Virtauskapasiteetti:** Nimellisvirtaus 40 l/min (10,5 US gpm) tehokkaaseen nesteensiirtoon.
* **Painekapasiteetti:** Maksimipaine 250 bar (3600 psi) vaativiin sovelluksiin.
* **Monoblock-rakenne:** Kestävä ja tiivis rakenne luotettavaan suorituskykyyn.
* **Käsiohjaus:** Tarkka ja responsiivinen toiminta optimaaliseen virtauksenohjaukseen.
* **Laaja käyttölämpötila-alue:** -40°C - +80°C (-40°F - +176°F) käytettäväksi erilaisissa ympäristöissä.
**Sovellukset:**
* Materiaalinkäsittely: Trukit, kurottajat, nosturit, pinoamisvaunut
* Rakennus- ja maanrakennuskoneet: Kaivinkoneet, kuormaajat, tiehöylät, dumpperit
* Maatalous: Traktorit, puimurit, paalaimet, ruiskut
* Teollisuusajoneuvot: Lakaisukoneet, jätepuristimet, koukkulava-autot



