Nopea toimitus
30 päivän pikatoimitus



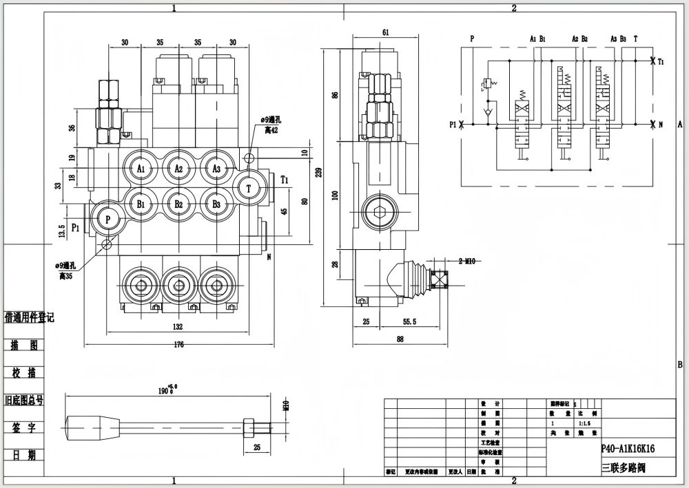
P40-G12-G38-OT-2QTW Manuaalinen 3-karainen monoblock-suuntaventtiili on korkean suorituskyvyn hydrauliventtiili, joka on suunniteltu käytettäväksi erilaisissa teollisuussovelluksissa. Siinä on kompakti ja vankka monoblock-rakenne, joka takaa kestävyyden ja luotettavuuden. Nimellisvirtauksen ollessa 40 l/min ja maksimipaineen 250 bar, tämä venttiili pystyy käsittelemään vaativia hydraulijärjestelmiä tehokkaasti.
| P40-sarja Monolohkoinen suuntaventtiili Parameters | |
|---|---|
| Ohjausmenetelmä | Manuaalinen, Pneumattinen, Elektropneumaattinen, Elektrohydraulinen, Solenoidi, Hydraulinen, Hydraulinen ja Manuaalinen, Kaapeli, Ohjaussauva, Ohjaussauva ja manuaalinen |
| Jakaja | 1 jakaja, 2 jakajaa, 3 jakajaa, 4 jakajaa, 5 jakajaa, 6 jakajaa, 7 jakajaa |
| Nimellisvirtaus | 40 L/min (10,5 US gpm) |
| Maksimipaine | 250 baaria (3 600 psi) |
| Tuloportti | G3/8, G1/2, M18×1.5, M22×1.5, SAE 8, SAE 10, 3/8 NPT, 1/2 NPT |
| Ulostuloportti | G3/8, G1/2, M18×1.5, M22×1.5, SAE 8, SAE 10, 3/8 NPT, 1/2 NPT |
| Liitäntäkoko | G3/8, G1/2, M18×1.5, SAE 8, SAE 10, 3/8 NPT, 1/2 NPT |
| Jakso | 1 jakso, 2 jakso, 3 jakso, 4 jakso, 5 jakso, 6 jakso, 7 jakso |
| Rakennetyyppi | Yhdistelmäventtiili |
| Ympäristön lämpötila-alue | -40 °C - +80 °C (-40 °F - +176 °F) |
| Käyttöviskositeettialue | 15 - 75 mm²/s (15 cSt - 75 cSt) |
**Tuotteen ominaisuudet ja edut:**
* Manuaalinen ohjaus tarkkaan ja herkkään käyttöön
* 3-karainen rakenne tarjoaa monipuolisen virtauksen ohjauksen
* Monoblock-rakenne lisää lujuutta ja kestävyyttä
* Virtauskapasiteetti (40 l/min) tehokkaaseen järjestelmän toimintaan
* Erinomainen paineensietokyky (250 bar) vaativien sovellusten kestämiseen
* Laaja käyttöviskositeettialue (15 - 75 mm²/s) yhteensopivuuden varmistamiseksi eri hydraulinesteiden kanssa
* Soveltuu käytettäväksi vaativissa ympäristöissä, joissa ympäristölämpötila on -40°C - +80°C
**Sovellukset:**
P40-G12-G38-OT-2QTW Manuaalista 3-karaista monoblock-suuntaventtiiliä käytetään laajalti erilaisissa teollisuussovelluksissa, mukaan lukien:
* Materiaalinkäsittelylaitteet (trukit, nosturit, kurottajat)
* Rakennus- ja maansiirtokoneet (kaivinkoneet, kuormaajat, tiehöylät)
* Maatalouskoneet (traktorit, puimurit, paalaimet)
* Teollisuusajoneuvot (lakaisukoneet, jätepuristimet, koukkulava-autot)



