Nopea toimitus
30 päivän pikatoimitus



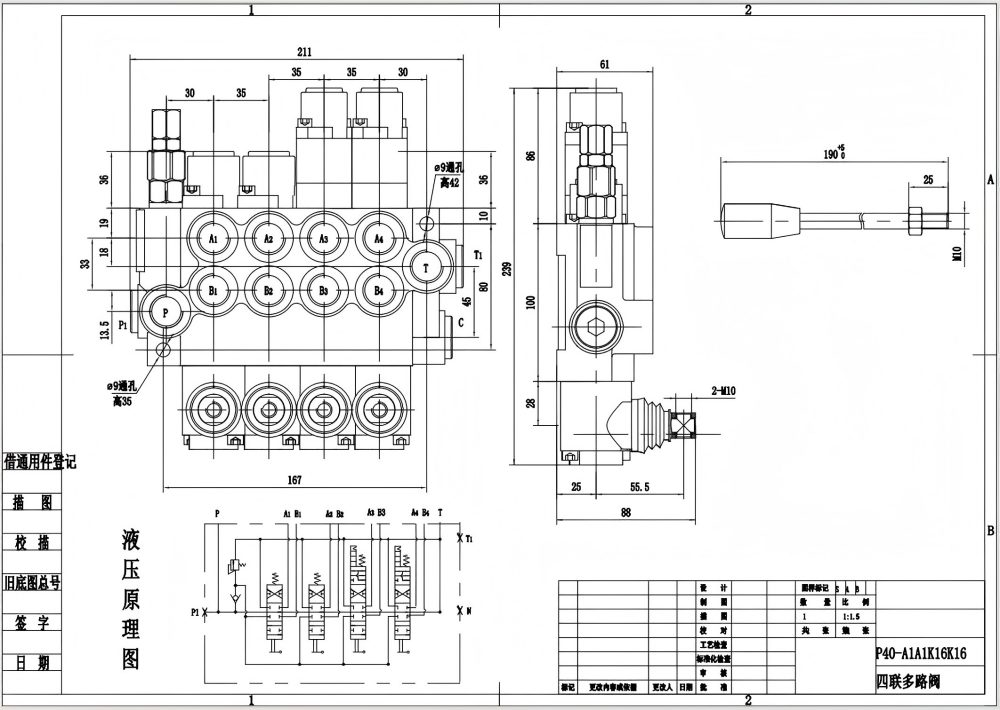
P40-G12-G38 manuaalinen 4-kelainen monoblock-suuntaventtiili on korkean suorituskyvyn hydrauliventtiili, joka on suunniteltu erilaisiin sovelluksiin teollisuudessa, kuten materiaalinkäsittelyssä, rakentamisessa, maataloudessa ja teollisuusajoneuvoissa. Kestävän rakenteensa, luotettavan manuaalisen ohjauksen ja kompaktin monoblock-muotoilunsa ansiosta tämä venttiili tarjoaa tarkan virtauksen säädön ja suunnanvaihdon hydraulijärjestelmissä.
| P40-sarja Monolohkoinen suuntaventtiili Parameters | |
|---|---|
| Ohjausmenetelmä | Manuaalinen, Pneumattinen, Elektropneumaattinen, Elektrohydraulinen, Solenoidi, Hydraulinen, Hydraulinen ja Manuaalinen, Kaapeli, Ohjaussauva, Ohjaussauva ja manuaalinen |
| Jakaja | 1 jakaja, 2 jakajaa, 3 jakajaa, 4 jakajaa, 5 jakajaa, 6 jakajaa, 7 jakajaa |
| Nimellisvirtaus | 40 L/min (10,5 US gpm) |
| Maksimipaine | 250 baaria (3 600 psi) |
| Tuloportti | G3/8, G1/2, M18×1.5, M22×1.5, SAE 8, SAE 10, 3/8 NPT, 1/2 NPT |
| Ulostuloportti | G3/8, G1/2, M18×1.5, M22×1.5, SAE 8, SAE 10, 3/8 NPT, 1/2 NPT |
| Liitäntäkoko | G3/8, G1/2, M18×1.5, SAE 8, SAE 10, 3/8 NPT, 1/2 NPT |
| Jakso | 1 jakso, 2 jakso, 3 jakso, 4 jakso, 5 jakso, 6 jakso, 7 jakso |
| Rakennetyyppi | Yhdistelmäventtiili |
| Ympäristön lämpötila-alue | -40 °C - +80 °C (-40 °F - +176 °F) |
| Käyttöviskositeettialue | 15 - 75 mm²/s (15 cSt - 75 cSt) |
**Tuotteen ominaisuudet ja edut:**
* Manuaalinen ohjaus tarkkaan ja reagoivaan toimintaan
* 4-kelainen rakenne monipuoliseen virtauksen hallintaan
* Monoblock-rakenne kompaktia ja vuotamatonta suorituskykyä varten
* Virtauskapasiteetti 40 L/min (10.5 US gpm)
* Maksimipainearvo 250 bar (3600 psi)
* Laaja käyttöväliskositealue 15 - 75 mm²/s (15 cSt - 75 cSt)
* Kestävä rakenne vaativiin sovelluksiin
**Sovellukset:**
P40-G12-G38 manuaalinen 4-kelainen monoblock-suuntaventtiili soveltuu monenlaisiin sovelluksiin, mukaan lukien:
* Materiaalinkäsittelylaitteet, kuten trukit, kurottajat ja nosturit
* Rakennuskoneet, kuten kaivinkoneet, liukuohjatut kuormaajat ja tiehöylät
* Maatalousajoneuvot, kuten traktorit, puimurit ja paalaimet
* Teollisuusajoneuvot, kuten lakaisukoneet, jätepuristimet ja koukkulaitteet



