Nopea toimitus
30 päivän pikatoimitus



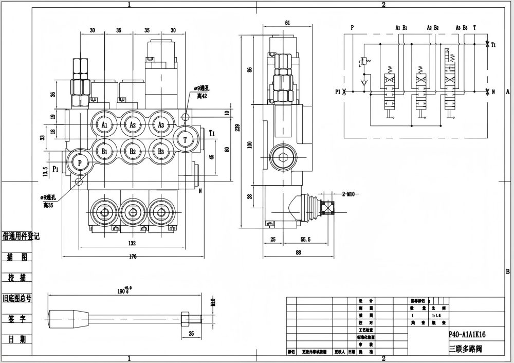
P40-G12-G38-2OT-QTW Manuaalinen 3-karainen monoblokkiohjausventtiili on tehokas hydrauliventtiili, joka on suunniteltu käytettäväksi monenlaisissa teollisuus- ja mobiilisovelluksissa. Nimellisvirtauksella 40 L/min ja maksimipaineella 250 bar tämä venttiili tarjoaa tarkan ja luotettavan hydraulivirran ohjauksen. Sen kompakti monoblokkirakenne tekee siitä helpon asentaa ja huoltaa, kun taas sen käsikäyttö mahdollistaa suoran ja intuitiivisen ohjauksen.
| P40-sarja Monolohkoinen suuntaventtiili Parameters | |
|---|---|
| Ohjausmenetelmä | Manuaalinen, Pneumattinen, Elektropneumaattinen, Elektrohydraulinen, Solenoidi, Hydraulinen, Hydraulinen ja Manuaalinen, Kaapeli, Ohjaussauva, Ohjaussauva ja manuaalinen |
| Jakaja | 1 jakaja, 2 jakajaa, 3 jakajaa, 4 jakajaa, 5 jakajaa, 6 jakajaa, 7 jakajaa |
| Nimellisvirtaus | 40 L/min (10,5 US gpm) |
| Maksimipaine | 250 baaria (3 600 psi) |
| Tuloportti | G3/8, G1/2, M18×1.5, M22×1.5, SAE 8, SAE 10, 3/8 NPT, 1/2 NPT |
| Ulostuloportti | G3/8, G1/2, M18×1.5, M22×1.5, SAE 8, SAE 10, 3/8 NPT, 1/2 NPT |
| Liitäntäkoko | G3/8, G1/2, M18×1.5, SAE 8, SAE 10, 3/8 NPT, 1/2 NPT |
| Jakso | 1 jakso, 2 jakso, 3 jakso, 4 jakso, 5 jakso, 6 jakso, 7 jakso |
| Rakennetyyppi | Yhdistelmäventtiili |
| Ympäristön lämpötila-alue | -40 °C - +80 °C (-40 °F - +176 °F) |
| Käyttöviskositeettialue | 15 - 75 mm²/s (15 cSt - 75 cSt) |
**Tuotteen ominaisuudet ja edut:**
* Käsikäyttö tarkkaan ja suoraan hallintaan
* Monoblokkirakenne kompaktia asennusta ja helppoa huoltoa varten
* Nimellisvirtaus 40 L/min tehokkaaseen hydraulivirtaan
* Maksimipaine 250 bar vaativiin sovelluksiin
* Kestävä rakenne pitkään käyttöikään
**Sovellukset:**
* Teollisuuskoneet
* Mobiilihydraulijärjestelmät
* Rakennuskoneet
* Maatalouskoneet
* Materiaalinkäsittelylaitteet



