Nopea toimitus
30 päivän pikatoimitus



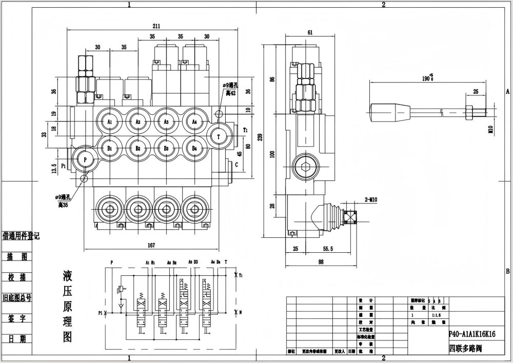
P40-G12-G38-2OT-2QTW käsikäyttöinen 4-karainen monoblock-suuntaventtiili on korkean suorituskyvyn hydrauliikkaventtiili, joka on suunniteltu käytettäväksi monenlaisissa sovelluksissa. Nimellisvirtauksella 40 L/min ja maksimipaineella 250 bar tämä venttiili on ihanteellinen käytettäväksi järjestelmissä, joissa tarkka ohjaus ja luotettavuus ovat välttämättömiä.
| P40-sarja Monolohkoinen suuntaventtiili Parameters | |
|---|---|
| Ohjausmenetelmä | Manuaalinen, Pneumattinen, Elektropneumaattinen, Elektrohydraulinen, Solenoidi, Hydraulinen, Hydraulinen ja Manuaalinen, Kaapeli, Ohjaussauva, Ohjaussauva ja manuaalinen |
| Jakaja | 1 jakaja, 2 jakajaa, 3 jakajaa, 4 jakajaa, 5 jakajaa, 6 jakajaa, 7 jakajaa |
| Nimellisvirtaus | 40 L/min (10,5 US gpm) |
| Maksimipaine | 250 baaria (3 600 psi) |
| Tuloportti | G3/8, G1/2, M18×1.5, M22×1.5, SAE 8, SAE 10, 3/8 NPT, 1/2 NPT |
| Ulostuloportti | G3/8, G1/2, M18×1.5, M22×1.5, SAE 8, SAE 10, 3/8 NPT, 1/2 NPT |
| Liitäntäkoko | G3/8, G1/2, M18×1.5, SAE 8, SAE 10, 3/8 NPT, 1/2 NPT |
| Jakso | 1 jakso, 2 jakso, 3 jakso, 4 jakso, 5 jakso, 6 jakso, 7 jakso |
| Rakennetyyppi | Yhdistelmäventtiili |
| Ympäristön lämpötila-alue | -40 °C - +80 °C (-40 °F - +176 °F) |
| Käyttöviskositeettialue | 15 - 75 mm²/s (15 cSt - 75 cSt) |
**Tuotteen ominaisuudet ja edut:**
* Käsiohjaus tarkan toiminnan varmistamiseksi
* 4-karainen rakenne monipuolisuuden vuoksi
* Monoblock-rakenne kestävyyden ja luotettavuuden takaamiseksi
* Nimellisvirtaus 40 L/min korkean suorituskyvyn saavuttamiseksi
* Maksimipaine 250 bar vaativiin sovelluksiin
* Käyttöviskositeettialue 15 - 75 mm²/s yhteensopivuuden varmistamiseksi laajan nestevalikoiman kanssa
* Ympäristön lämpötila-alue -40°C - +80°C äärimmäisissä olosuhteissa käytettäväksi
**Sovellukset:**
* Materiaalinkäsittelylaitteet
* Rakennus- ja maansiirtokoneet
* Maatalouskoneet
* Teollisuusajoneuvot



