Nopea toimitus
30 päivän pikatoimitus



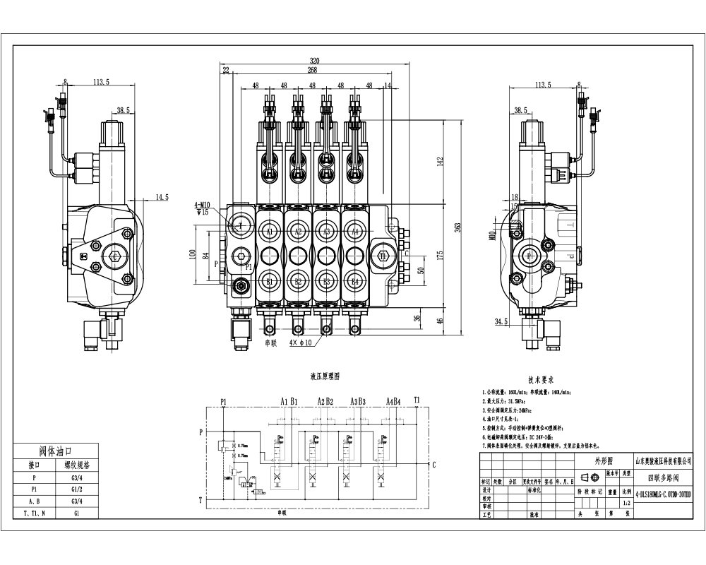
HSDLS180 on vankka, manuaalinen 4-kelainen osittainen hydraulinen suuntaventtiili sähköisellä purkutoiminnolla, suunniteltu suurivirtaus- ja korkeapainesovelluksiin materiaalinkäsittelyssä, rakentamisessa, maataloudessa ja teollisuusajoneuvoissa. Se tarjoaa luotettavan hallinnan ja kestävyyden vaativissa ympäristöissä.
| SDS180 Series Suuntaventtiili Parameters | |
|---|---|
| Jakaja | 1 jakaja, 3 jakajaa, 4 jakajaa, 5 jakajaa, 6 jakajaa, 7 jakajaa |
| Ohjausmenetelmä | Manuaalinen, Hydraulinen |
| Liitäntäkoko | G3/4, G1, SAE 12 |
| Jakso | 1 jakso, 2 jakso, 3 jakso, 4 jakso, 5 jakso, 6 jakso, 7 jakso, 8 jakso, 9 jakso, 10 jakso |
| Ympäristön lämpötila-alue | -40 °C - +80 °C (-40 °F - +176 °F) |
| Käyttöviskositeettialue | 12 - 400 mm²/s (12 cSt - 400 cSt) |
| Ulostuloportti | G1, SAE 16 |
| Maksimipaine | 350 baaria (5 100 psi) |
| Nimellisvirtaus | 160 L/min (42,2 US gpm) |
| Rakennetyyppi | Jaksoventtiili |
| Tuloportti | G3/4, G1, SAE 12 |
HSDLS180-sähköinen purkuventtiili Manuaalinen 4-kelainen osittainen suuntaventtiili on tehokas hydraulikomponentti, joka soveltuu erinomaisesti moniin sovelluksiin, jotka edellyttävät hydraulijärjestelmien tarkkaa ja tehokasta hallintaa. Sen tärkeimmät ominaisuudet ovat:
* **Suuri virtausnopeus:** 160 L/min (42,2 US gpm) takaa tehokkaan toiminnan myös raskailla kuormilla.
* **Korkea paineenkestävyys:** Maksimipaineen luokitus 350 bar (5100 psi) takaa luotettavan suorituskyvyn vaativissa olosuhteissa.
* **Laaja viskositeettialue:** Venttiili toimii tehokkaasti nesteiden kanssa, joiden viskositeetti on 12–400 mm²/s (12 cSt – 400 cSt).
* **Kestävä rakenne:** Rakennettu kestämään ankaria ympäristöjä, käyttölämpötila-alueella -40°C – +80°C (-40°F – +176°F).
* **Manuaalinen ohjaus:** Yksinkertainen ja intuitiivinen käyttö manuaalisella ohjauksella.
* **Sähköinen purkutoiminto:** Helpottaa hydraulijärjestelmän nopeampaa ja helpompaa purkamista.
* **Neljä osaa:** Mahdollistaa neljän hydraulisen toiminnon itsenäisen ohjauksen.
* **Osaventtiilirakenne:** Tarjoaa modulaarisuutta ja helpon huollon.
**Sovellukset:** HSDLS180 soveltuu täydellisesti erilaisiin sovelluksiin, mukaan lukien:
* **Materiaalien käsittely:** Trukit, kurottajat ja muut materiaalinkäsittelylaitteet.
* **Rakentaminen ja maanrakennus:** Pienkuormaajat, kompaktit pyöräkuormaajat, pyöräkuormaajat, kaivurikuormaajat.
* **Maatalous:** Traktorit, puimurit, paalaimet ja muut maatalouskoneet.
* **Teollisuusajoneuvot:** Erilaiset teollisuuskoneet, jotka vaativat tarkkaa hydraulista ohjausta.
3
Tarjoamme tämän venttiilin valmistus-, OEM-, yksityismerkintä-, räätälöinti- ja tukkupalveluita. Etsimme aktiivisesti jälleenmyyjiä, tukkukauppiaita, agentteja ja kauppakumppaneita maailmanlaajuisesti laajentaaksemme markkina-aluettamme. Ota meihin yhteyttä keskustellaksesi erityisvaatimuksistasi ja tutustuaksesi kumppanuusmahdollisuuksiin.



