Nopea toimitus
30 päivän pikatoimitus



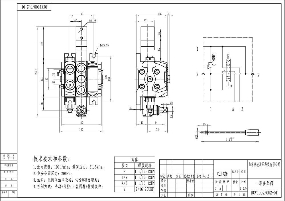
DCV100 pneumaattinen 1-karainen lohkorakenteinen suuntaventtiili on korkean suorituskyvyn hydrauliventtiili, joka on suunniteltu käytettäväksi monenlaisissa teollisissa sovelluksissa. Sen nimellisvirtaus on 100 l/min ja maksimipaine 350 bar, mikä tarjoaa erinomaisen virtauskapasiteetin ja paineenkäsittelykyvyn. Sen kompakti ja modulaarinen rakenne tekee siitä soveltuvan integroitavaksi erilaisiin hydraulijärjestelmiin.
| DCV100-sarja Suuntaventtiili Parameters | |
|---|---|
| Ohjausmenetelmä | Manuaalinen, Pneumattinen, Elektropneumaattinen, Elektrohydraulinen, Hydraulinen, Kaapeli, Ohjaussauva, Ohjaussauva ja manuaalinen |
| Jakaja | 1 jakaja, 2 jakajaa, 3 jakajaa, 4 jakajaa, 5 jakajaa, 6 jakajaa, 7 jakajaa, 8 jakajaa, 9 jakajaa, 10 jakajaa, 11 jakajaa, 12 jakajaa |
| Nimellisvirtaus | 100 L/min (26,5 US gpm) |
| Maksimipaine | 350 baaria (5 100 psi) |
| Tuloportti | G3/4, M22×1.5, M27×2.0, SAE 10, SAE 12, 3/4 NPT |
| Ulostuloportti | G3/4, M22×1.5, M27×2.0, SAE 10, SAE 12, 3/4 NPT |
| Liitäntäkoko | G3/4, M22×1.5, M27×2.0, SAE 10, SAE 12, 3/4 NPT |
| Jakso | 1 jakso, 2 jakso, 3 jakso, 4 jakso, 5 jakso, 6 jakso, 7 jakso, 8 jakso, 9 jakso, 10 jakso, 11 jakso, 12 jakso |
| Rakennetyyppi | Jaksoventtiili |
| Ympäristön lämpötila-alue | -40 °C - +60 °C (-40 °F - +140 °F) |
| Käyttöviskositeettialue | 15 - 75 mm²/s (15 cSt - 75 cSt) |
**Tärkeimmät ominaisuudet ja edut:**
- Korkea virtauskapasiteetti 100 l/min tehokkaaseen järjestelmän toimintaan
- Maksimipaine 350 bar vaativiin sovelluksiin
- Pneumaattinen ohjausmenetelmä tarkkaan ja herkkään venttiilin toimintaan
- Lohkoventtiilirakenne mahdollistaa helpon räätälöinnin ja modulaarisuuden
- Laaja toimintaviskositeettialue 15 - 75 mm²/s yhteensopivuutta varten erilaisten hydraulinesteiden kanssa
- Kompakti ja kevyt rakenne tilaa säästävään asennukseen
**Sovellukset:**
DCV100 pneumaattinen 1-karainen lohkorakenteinen suuntaventtiili soveltuu käytettäväksi erilaisissa hydraulijärjestelmissä, kuten:
- Materiaalinkäsittelylaitteet
- Rakennus- ja maanrakennuskoneet
- Maatalouskoneet
- Teollisuusajoneuvot
**Erityissovellukset:**
- Kurottajat
- Trukit
- Maastokelpoiset nosturit
- Pinoamislaitteet
- Henkilönostimet
- Tiehöylät
- Kaivinkoneet
- Pienkuormaajat
- Kompaktit pyöräkuormaajat



