Nopea toimitus
30 päivän pikatoimitus



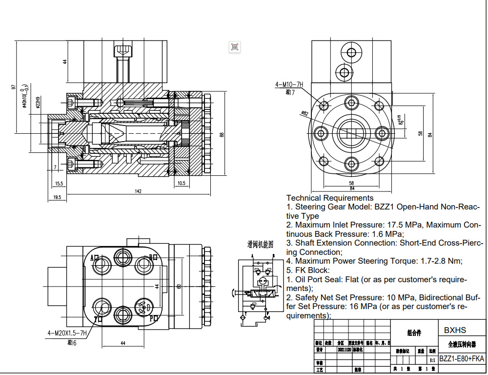
BZZ1-E80+FKA hydraulinen ohjausyksikkö on kestävä ja mukautettava 80 ml/r iskutilavuusyksikkö, jonka maksimisyöttöpaine on 16 MPa. Se sopii ihanteellisesti erilaisiin sovelluksiin materiaalinkäsittelyssä, rakentamisessa, maataloudessa ja teollisuusajoneuvoissa, tarjoten luotettavan ohjauksen 6 l/min nimellisvirtaamalla. Valmistettu valuraudasta, siinä on mukautettava venttiililohko räätälöityä suorituskykyä varten. Tarjoamme valmistus-, OEM-, ODM- ja tukkumyyntivaihtoehtoja.
| BZZ1-sarja Ohjausyksikkö Parameters | |
|---|---|
| Iskutilavuus | 50 ml/kierros, 63 ml/kierros, 100 ml/kierros, 80 ml/kierros, 125 ml/kierros, 160 ml/kierros, 200 ml/kierros, 250 ml/kierros, 280 ml/kierros, 315 ml/kierros, 400 ml/kierros, 500 ml/kierros, 630 ml/kierros, 800 ml/kierros, 1000 ml/kierros |
| Venttiililohko | Mukautettava |
| Materiaali | Valurauta |
| Nimellisvirtaus | 5 l/min, 6 l/min, 4 l/min, 7,5 l/min, 9,5 l/min, 12 l/min, 15 l/min, 19 l/min, 21 l/min, 24 l/min, 30 l/min, 38 l/min, 48 l/min, 60 l/min, 75 l/min |
| Suurin jatkuva takapaine | 2,5 Mpa |
| Suurin tulopaine | 16 Mpa |
BZZ1-E80+FKA hydraulinen ohjausyksikkö tarjoaa tarkan ja tehokkaan ohjauksen laajalle valikoimalle koneita. Sen korkean paineen ominaisuus (16 MPa) varmistaa luotettavan toiminnan myös raskaissa kuormissa. 80 ml/r iskutilavuus ja 6 l/min nimellisvirtaus tarjoavat tehokkaan ohjausvasteen. Vankka valurautarakenne takaa kestävyyden ja pitkäikäisyyden vaativissa olosuhteissa. Mukautettava venttiililohko mahdollistaa räätälöidyt ratkaisut vastaamaan erityisiä sovellusvaatimuksia, optimoiden suorituskyvyn ja tehokkuuden. Tarjoamme joustavia liiketoimintamalleja, kuten valmistuksen, OEM-valmistuksen (Original Equipment Manufacturing), ODM-valmistuksen (Original Design Manufacturing) ja tukkumyyntivaihtoehtoja, jotka mahdollistavat räätälöidyt ratkaisut ja suurtilaukset vastaamaan erityisiä tarpeitasi. Etsimme aktiivisesti jakelijoita, tukkukauppiaita, agentteja ja kauppayhtiöitä maailmanlaajuisesti. Ota yhteyttä keskustellaksesi vaatimuksistasi ja tutkiaksesi mahdollisia kumppanuuksia.



