Nopea toimitus
30 päivän pikatoimitus



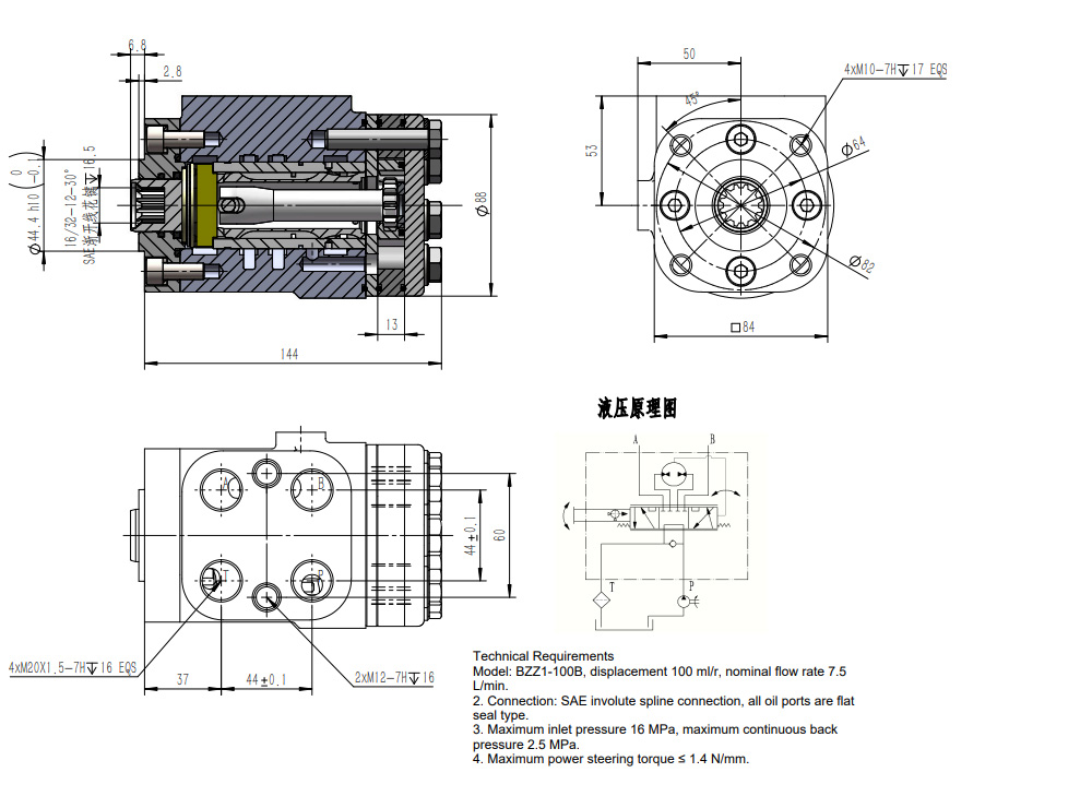
BZZ1-E100C ohjausyksikkö on kestävä ja muokattavissa oleva hydraulikomponentti, jonka iskutilavuus on 100 ml/r ja joka on suunniteltu erilaisiin materiaalinkäsittely-, rakennus-, maatalous- ja teollisuusajoneuvosovelluksiin. Siinä on 16 MPa:n maksimitulopaine ja valurautarakenne kestävyyden takaamiseksi. Tarjoamme valmistus-, OEM-, ODM- ja tukkumyyntivaihtoehtoja maailmanlaajuisesti.
| BZZ1-sarja Ohjausyksikkö Parameters | |
|---|---|
| Iskutilavuus | 50 ml/kierros, 63 ml/kierros, 100 ml/kierros, 80 ml/kierros, 125 ml/kierros, 160 ml/kierros, 200 ml/kierros, 250 ml/kierros, 280 ml/kierros, 315 ml/kierros, 400 ml/kierros, 500 ml/kierros, 630 ml/kierros, 800 ml/kierros, 1000 ml/kierros |
| Venttiililohko | Mukautettava |
| Materiaali | Valurauta |
| Nimellisvirtaus | 5 l/min, 6 l/min, 4 l/min, 7,5 l/min, 9,5 l/min, 12 l/min, 15 l/min, 19 l/min, 21 l/min, 24 l/min, 30 l/min, 38 l/min, 48 l/min, 60 l/min, 75 l/min |
| Suurin jatkuva takapaine | 2,5 Mpa |
| Suurin tulopaine | 16 Mpa |
BZZ1-E100C on korkean suorituskyvyn hydraulinen ohjausyksikkö, joka soveltuu monenlaisiin sovelluksiin. Sen tärkeimpiä ominaisuuksia ovat:
* **Korkeapainekyky:** 16 MPa:n maksimitulopaineella se kestää vaativia käyttöolosuhteita.
* **Kestävä rakenne:** Valurautamateriaali takaa pitkäaikaisen luotettavuuden ja kulutuskestävyyden.
* **Räätälöitävä venttiililohko:** Mahdollistaa räätälöidyt kokoonpanot vastaamaan erityisiä sovellusvaatimuksia, parantaen joustavuutta ja tehokkuutta.
* **Korkea virtausnopeus:** Nimellisvirtaus 7.5 L/min varmistaa reagoivan ja sujuvan ohjauksen.
* **Monipuoliset sovellukset:** Soveltuu erilaisiin laitteisiin, kuten trukeille, kurottajille, liukuohjatuille kuormaajille, pienpyöräkuormaajille, minikaivureille, traktoreille, puimureille ja paalaimille.
* **Maailmanlaajuinen kattavuus:** Tarjoamme valmistus-, OEM-, ODM- ja tukkumyyntipalveluita jälleenmyyjille, myyjille ja edustajille maailmanlaajuisesti. Olemme sitoutuneet tarjoamaan korkealaatuisia tuotteita ja poikkeuksellista asiakaspalvelua. Ota yhteyttä keskustellaksesi tarpeistasi ja tutustuaksesi mahdollisiin kumppanuuksiin.



